5034-UB8 und 5034-UB8XT – Schnelle digitale Eingangs-/Ausgangsmodule, 8-fach
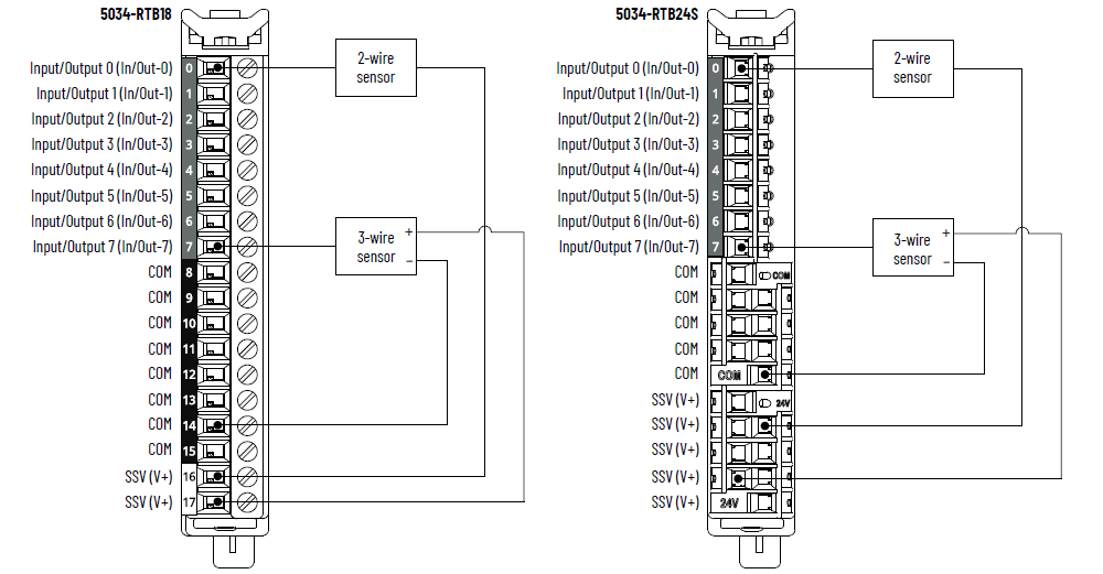
5034-UB8 und 5034-UB8XT – Verdrahtungsplan Ausgangsmodus

5034-UB8 und 5034-UB8XT – Verdrahtungsplan Eingangsmodus

Um mehr COM/V+-Verbindungen einzurichten, insbesondere in einer gemischten
Eingangs-/Ausgangskonfiguration, verwenden Sie ein 5034-RTB24S oder installieren Sie
ein 5034-MBPTM oder 5034-MBPTMXT neben dem Modul.
Verwenden Sie SSV (V+) nur für die Spannungsversorgung von Sensoren, die über eine
Schnittstelle mit einem Punkt verfügen, der als Digital-Eingangsmodus konfiguriert
ist.
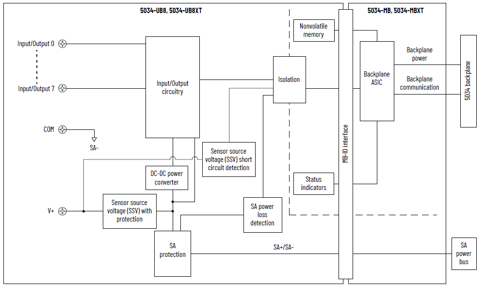
5034-UB8 und 5034-UB8XT – Funktionsblockdiagramm

Attribut | 5034-UB8, 5034-UB8XT |
|---|---|
Spannungsbereich für EIN-Zustand | 10 bis 30 V DC |
Strom im EIN-Zustand, min. | 2 mA |
Nennstrom im EIN-Zustand | 4,5 mA |
Strom im EIN-Zustand, max. | 5 mA |
Spannung für AUS-Zustand, max. | 5 V DC |
Strom im AUS-Zustand, max. | 1,5 mA |
Eingangsimpedanz, min. | 2 kΩ bei 10 V DC |
Eingangsimpedanz, nom. | 5,3 kΩ bei 24 V DC |
Maximale Eingangsimpedanz | 15 kΩ bei 30 V DC |
Eingangsverzögerungszeit (Schraube zur Backplane), max. AUS-zu-EIN EIN-zu-AUS | 250 µs |
Eingangsimpulsdauer, min. AUS-zu-EIN EIN-zu-AUS | 250 µs |
Eingangsfilterzeit AUS-zu-EIN EIN-zu-AUS | 0 µs, 500 µs, 1 ms (Standard), 2 ms, 5 ms, 10 ms, 20 ms,
50 ms |
Einfache Zähler, Zählerfrequenz | 0 bis f max. = 2000 Hz |
Zeitstempel der Eingänge (Ereignisfolge) | Ja, Genauigkeit ±200 µs |
Ereignisse | Nicht unterstützt |
Attribut | 5034-UB8, 5034-UB8XT |
|---|---|
Spannungsbereich für EIN-Zustand | 10 bis 30 V DC |
Spannungsabfall im EIN-Zustand, max. | 0,25 V DC |
Strom im EIN-Zustand pro Punkt, min. | 1,0 mA |
Spannung für AUS-Zustand, max. Drahtbrucherkennung im AUS-Zustand deaktiviert | 5 V DC mit min. 1 mA Last |
Spannung für AUS-Zustand, max. Drahtbrucherkennung im AUS-Zustand aktiviert | 5 V DC mit min. 5 mA Last |
Leckstrom im AUS-Zustand pro Punkt, max. Drahtbrucherkennung im AUS-Zustand deaktiviert | 0,1 mA |
Leckstrom im AUS-Zustand pro Punkt, max. (1) Drahtbrucherkennung im AUS-Zustand aktiviert | 0,5 mA |
Ausgangsstrom, Werte pro Punkt, max. | 0,5 A |
Ausgangsstrom pro Modul, max. | 4 A |
Stoßstrom pro Punkt, max. | 1,2 A für 10 ms, wiederholbar alle 3 s |
Max. zulässige induktive Last | 1,2 H |
Ausgangsklemmenspannung für induktive Last beim
Ausschalten | (SA-Spannung + VCL) bis 0 VCL-Wert: Minimum ist –63 V, typisch ist –55 V, Maximum ist
–49 V Weitere Informationen finden Sie in Publikation 5034-UM002,
„PointMax Digital I/O Modules User Manual“ (Digitale
PointMax-E/A-Module – Benutzerhandbuch). |
Ausgangsverzögerungszeit (Backplane zu Schraube), max. AUS-zu-EIN EIN-zu-AUS | 150 µs bei 0,5 A |
Impulsdauer, min. | 200 µs |
Zeitgesteuerte Ausgänge: | Unterstützt, Genauigkeit ±100 μs |
Diagnose zur Erkennung offener Lasten | Ja, konfigurierbar (Standard ist deaktiviert) |
Erkennung von Kurzschluss/Überlast am Ausgang | Ja |
Kurzschlussschutz/Überlastschutz am Ausgang | Ja |
Bemessungswert für Steuerlasten | 1,2 A Einschaltstrom, 0,5 A Bemessungsstrom, DC-14 |
Ausgangszustände im Programm-Modus pro Punkt | Hold Last State On Off (Standard) |
Ausgangszustände im Fehlermodus pro Punkt | Hold Last State On Off (Standard) |
Dauer des Fehlermodus pro Punkt | 1 s 2 s 5 s 10 s Unbegrenzt (Standardeinstellung) |
Finaler Ausgangszustand nach Fehlermodus pro Punkt | On Off (Standard) |
(1) Empfohlener Lastwiderstand – Zur Begrenzung der
Auswirkungen von Leckstrom über Halbleiterausgänge können
Sie einen Lastwiderstand parallel mit Ihrer Last
anschließen. Verwenden Sie für den Betrieb mit 24 V DC einen
5,6-kΩ-Widerstand (0,5 W) für den Transistorbetrieb. | |
Attribut | 5034-UB8, 5034-UB8XT |
|---|---|
Anzahl der Eingänge/Ausgänge | 8 Kanäle, konfigurierbar, stromziehender Eingang,
stromliefernder Ausgang |
Feldspannungsversorgung, Spannung, nom. | 24 V DC |
Feldspannungsversorgung, Spannungsbereich | 10 bis 30 V DC |
Feldspannungsversorgung, Strom, nom. | 4,1 A |
Feldspannungsversorgung, Strom, max. | 4,2 A |
Feldspannungsversorgung, Strom, bei Nulllast | 14 mA |
SA-Verpolungsschutz | Ja |
SSV-Spannungsbereich | Feldspannungsversorgung folgen |
SSV-Strom, max. | 0,8 A |
SSV-Kurzschlusserkennung | Ja |
Verlustleistung, max. (1) | 1,36 W |
Wärmeabstrahlung, max. (1) | 4,63 BTU/Stunde |
Isolationsspannung | 250 V (kontinuierlich), Basisisolierungstyp, System zu
Feld Keine Isolierung zwischen Feldspannungsversorgung und
Eingangs-/Ausgangsports Keine Isolierung zwischen den einzelnen
Eingangs-/Ausgangsports |
RIUP-Unterstützung | Ja |
CIP Sync | Normale Nebenuhr |
Elektronische Codierung | Elektronische Codierung über Programmiersoftware |
Schlüsselpositionen der abnehmbaren Klemmenleiste
(Steckplatz) | 1, 5, 8 |
Unterstützung für abnehmbare Klemmenleiste | 5034-RTB18, 5034-RTB18S, 5034-RTB24S |
Verdrahtungskategorie (2) | 2 – Signalports 2 – Leistungsports |
Verdrahtungsspezifikation | Siehe Verdrahtungsspezifikationen für abnehmbare
Klemmenleisten in Publikation 5034-TD001,
„PointMax I/O System Specifications Technical Data“
(PointMax-E/A-System – Spezifikationen und technische
Daten). |
Anzeigen | 1 grüne/rote Modulstatusanzeige 1 grüne/rote Feldspannungsversorgungs-Statusanzeige 8 gelbe/rote E/A-Statusanzeigen |
Abmessungen (H x B x T) ca. | 123,6 x 15,0 x 66,4 mm (4,87 x 0,59 x 2,61 Zoll) |
Gewicht (ca.) | 45,0 g (1,59 oz) – 5034-UB8 47,0 g (1,66 oz) – 5034-UB8XT |
Gehäusetyp | Keine (offen) |
Nordamerikanischer Temperaturcode | T4 |
UKEX/ATEX-Temperaturcode | T4 |
IECEx-Temperaturcode | T4 |
(1) Der Wert wird bei 60 °C (140 °F) gemessen. Die
Verlustleistung variiert je nach Temperatur. (2) Nutzen Sie diese Daten zur Leiterkategorie für die
Planung der Leiterverlegung. Siehe Publikation 1770-4.1,
„Industrial Automation Wiring and Grounding Guidelines“
(Leitlinien zur störungsfreien Verdrahtung und Erdung von
industriellen Automatisierungssystemen). Verwenden Sie diese
Informationen zur Leiterkategorie, um die Leiterverlegung zu
planen, wie im entsprechenden Handbuch zur Installation auf
Systemebene beschrieben. | |
Rückmeldung geben