5034-IB8 und 5034-IB8XT – Digital-Eingangsmodule, 8-fach
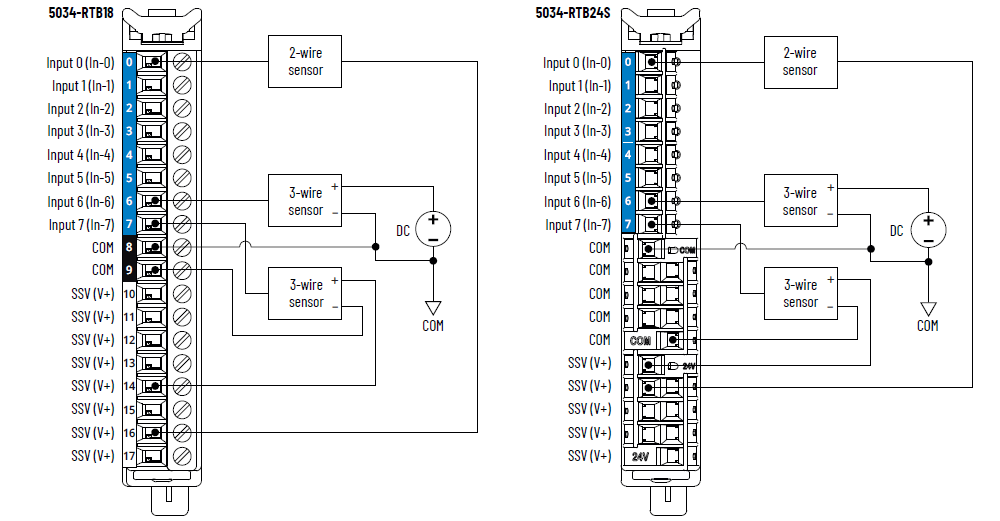
5034-IB8 und 5034-IB8XT – Verdrahtungsplan

Um weitere COM/V+-Verbindungen einzurichten, verwenden Sie ein 5034-RTB24S oder
installieren Sie ein 5034-MBPT oder 5034-MBPTMXT neben dem Modul.
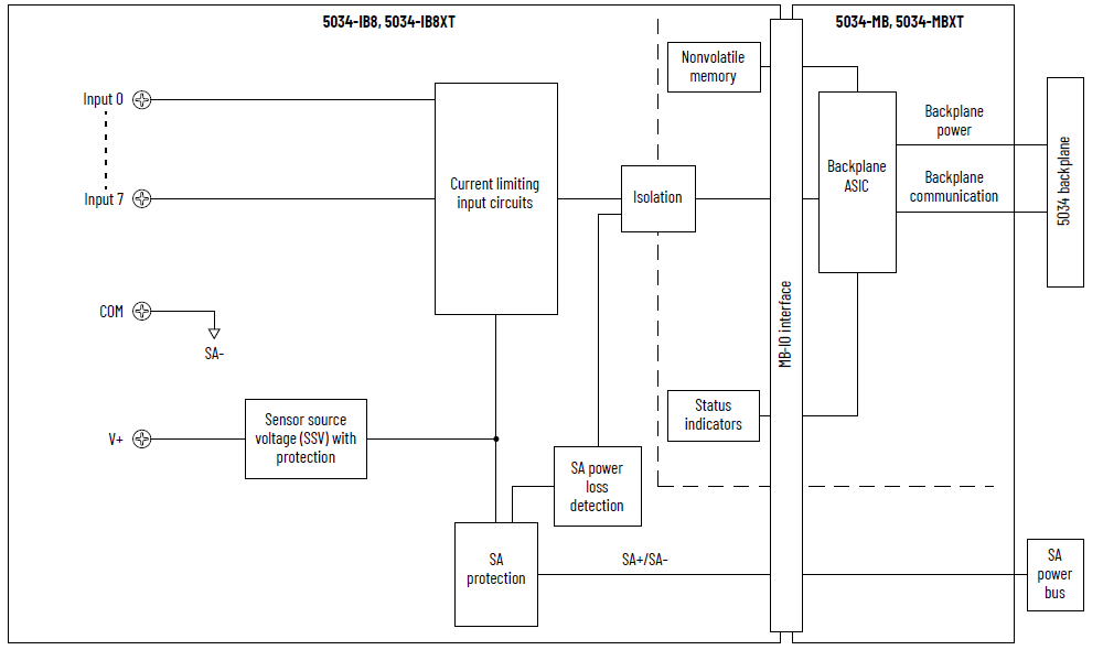
5034-IB8 und 5034-IB8XT – Funktionsblockdiagramm

Attribut | 5034-IB8, 5034-IB8XT |
|---|---|
Spannungsbereich für EIN-Zustand | 10 bis 30 V DC |
Strom im EIN-Zustand, min. | 2 mA |
Nennstrom im EIN-Zustand | 2,4 mA |
Strom im EIN-Zustand, max. | 2,8 mA |
Spannung für AUS-Zustand, max. | 5 V DC |
Strom im AUS-Zustand, max. | 1,5 mA |
Eingangsimpedanz, min. | 3,57 kΩ bei 10 V DC |
Eingangsimpedanz, nom. | 10 kΩ bei 24 V DC |
Maximale Eingangsimpedanz | 15 kΩ bei 30 V DC |
Eingangsverzögerungszeit (Schraube zur Backplane), max. AUS-zu-EIN EIN-zu-AUS | 150 µs |
Eingangsimpulsdauer, min. AUS-zu-EIN EIN-zu-AUS | 125 µs |
Eingangsfilterzeit AUS-zu-EIN EIN-zu-AUS | 0 µs, 100 µs, 200 µs, 500 µs, 1 ms (Standard), 2 ms, 5 ms,
10 ms, 20 ms, 50 ms |
Einfache Zähler, Zählerfrequenz | 0 bis f max. = 4000 Hz4 (mit 4 Punkten als Standardeingänge) Nur Punkt 0 bis 3 |
Zeitstempel der Eingänge (Ereignisfolge) | Ja, Genauigkeit ±100 µs |
Ereignisse | Nicht unterstützt |
Attribut | 5034-IB8, 5034-IB8XT |
|---|---|
Anzahl der Eingänge | 8 Kanäle (1 Gruppe mit 8), stromziehend |
Spannungskategorie | 12/24 V DC (stromziehend) |
Eingangsspannung, nom. | 24 V DC |
Eingangsspannungsbereich | 10 bis 30 V DC |
Feldspannungsversorgung, Spannung, nom. | 24 V DC |
Feldspannungsversorgung, Spannungsbereich | 10 bis 30 V DC |
Feldspannungsversorgung, Strom, nom. | 250 mA |
Feldspannungsversorgung, Strom, max. | 0,3 A |
Feldspannungsversorgung, Strom, bei Nulllast | 10 mA |
SA-Verpolungsschutz | Ja |
SSV-Spannungsbereich | Feldspannungsversorgung folgen |
SSV-Strom, max. | 0,2 A |
SSV-Kurzschlussschutz | Ja |
Verlustleistung, max. (1) | 1,15 W |
Wärmeabstrahlung, max. (1) | 3,92 BTU/Stunde |
Isolationsspannung | 250 V (kontinuierlich), Basisisolierungstyp, System zu
Feld Keine Isolierung zwischen Feldspannungsversorgung und
Eingängen Keine Isolierung zwischen den einzelnen Eingangsports |
RIUP-Unterstützung | Ja |
CIP Sync | Ja, normale Nebenuhr |
Elektronische Codierung | Elektronische Codierung über Programmiersoftware |
Schlüsselpositionen der abnehmbaren Klemmenleiste
(Steckplatz) | 1, 4, 8 |
Unterstützung für abnehmbare Klemmenleiste | 5034-RTB18, 5034-RTB18S, 5034-RTB24S |
Verdrahtungskategorie (2) | 2 – Signalports 2 – Leistungsports |
Verdrahtungsspezifikation | Siehe Verdrahtungsspezifikationen für abnehmbare
Klemmenleisten in Publikation 5034-TD001,
„PointMax I/O System Specifications Technical Data“
(PointMax-E/A-System – Spezifikationen und technische
Daten). |
Anzeigen | 1 grüne/rote Modulstatusanzeige 1 grüne/rote Feldspannungsversorgungs-Statusanzeige 8 gelbe E/A-Statusanzeigen |
Abmessungen (H x B x T) ca. | 123,6 x 15,0 x 66,4 mm (4,87 x 0,59 x 2,61 Zoll) |
Gewicht (ca.) | 43,0 g (1,51 oz) – 5034-IB8 46,0 g (1,62 oz) – 5034-IB8XT |
Gehäusetyp | Keine (offen) |
Nordamerikanischer Temperaturcode | T4 |
UKEX/ATEX-Temperaturcode | T4 |
IECEx-Temperaturcode | T4 |
(1) Der Wert wird bei 60 °C (140 °F) gemessen. Die
Verlustleistung variiert je nach Temperatur. (2) Nutzen Sie diese Daten zur Leiterkategorie für die
Planung der Leiterverlegung. Siehe Publikation 1770-4.1,
„Industrial Automation Wiring and Grounding Guidelines“
(Leitlinien zur störungsfreien Verdrahtung und Erdung von
industriellen Automatisierungssystemen). Verwenden Sie diese
Informationen zur Leiterkategorie, um die Leiterverlegung zu
planen, wie im entsprechenden Handbuch zur Installation auf
Systemebene beschrieben. | |
Rückmeldung geben